Your current location:
Home
>
Product Center
>
SeamClamp
Product Center
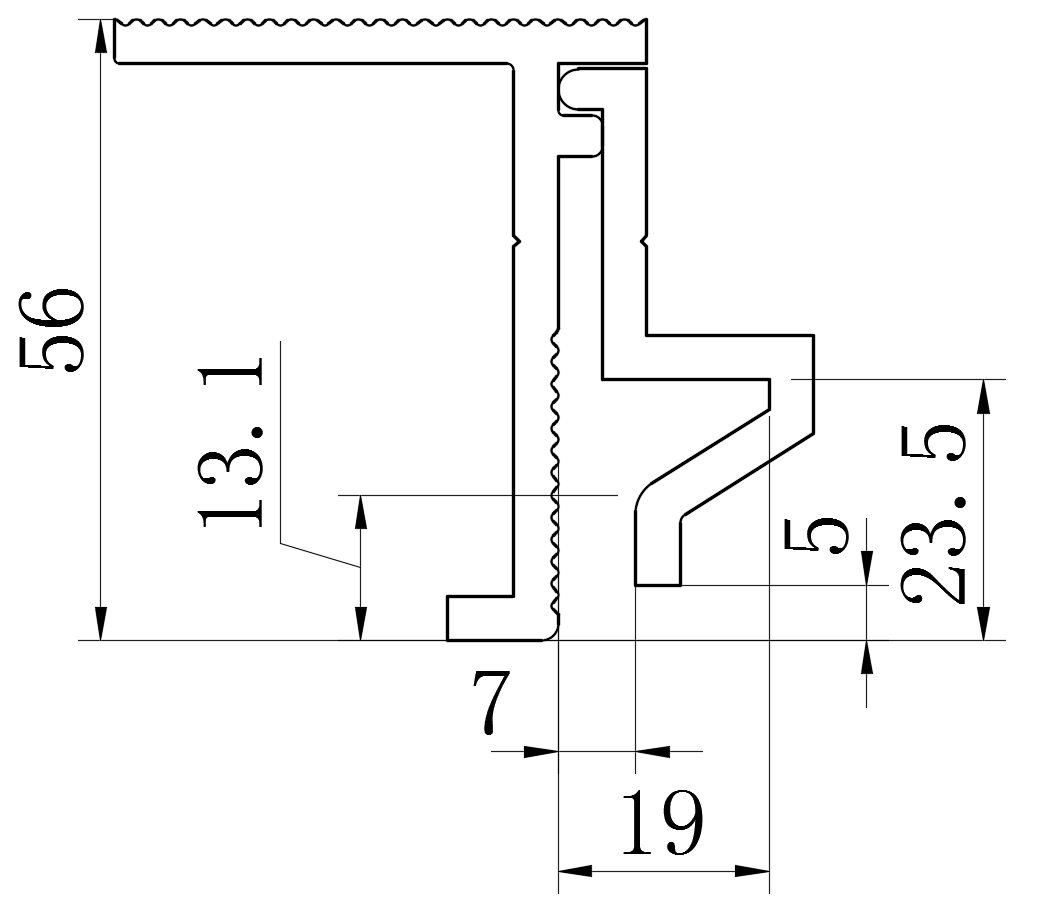
TSD-MH-ZL38

All Sizes:

size1
Product Photos:



Camera Angles1 Camera Angles2 Split Diagram

